НАЗНАЧЕНИЕ
Соединители низковольтные рудничные типа НШР (Низковольтный Шахтный Разъединитель) предназначены для оперативного соединения и разъединения электрических цепей напряжением до 1140В и током до 400А переменного тока при присоединении гибких кабелей к электрооборудованию, для соединения отрезков кабелей, проложенных по горным выработкам угольных шахт и рудников, а также для соединения и разъединения отрезков кабельной сети, различных электрических агрегатов, установок и машин между собой и с источниками электрической энергии в стационарных и передвижных установках, эксплуатируемых в условиях подземных выработок шахт, рудников и других предприятий, не опасных по взрыву газа и пыли.
КОНСТРУКТИВНЫЕ ОСОБЕННОСТИ
Конструктивно соединитель НШР состоит из двух частей: вилки и розетки. Розетка бывает двух видов – кабельная и встраиваемая в корпус шкафа.
Вилка состоит из металлического корпуса, в котором расположен изолятор со встроенными электрическими контактными штырями из латуни следующих цепей: главной, заземления и цепи управления. Розетка также состоит из металлического корпуса, в котором расположен изолятор со встроенными в него гнездами указанных выше цепей. В гнездах и штырях предусмотрены устройства для подсоединения кабелей.
Система электрической блокировки выполнена таким образом, что при разъединении вилки и розетки первыми размыкаются контакты цепи управления, затем контакты силовой цепи и последним размыкается заземляющий контакт. Кабель уплотняется резиновой прокладкой. Специальная скоба предохраняет кабель от выдергивания и поворота. Соединяются вилка и розетка при помощи рукоятки специального механизма надёжного дожатия, которая установлена на корпусе розетки. Для правильного сочленения вилки и розетки служат направляющие и указатели. После расстыковки вилки и розетки, розетка закрывается крышкой, установленной на ее корпусе, и прижимается с помощью рукоятки механизма дожатия.
Встраиваемый соединитель НШР может иметь механическую блокировку рукоятки разъединения (дожатия) с автоматическим выключателем, как, например, в ВР-400-БРС. В данном случае невозможно разъединить соединитель при включенном автоматическом выключателе.
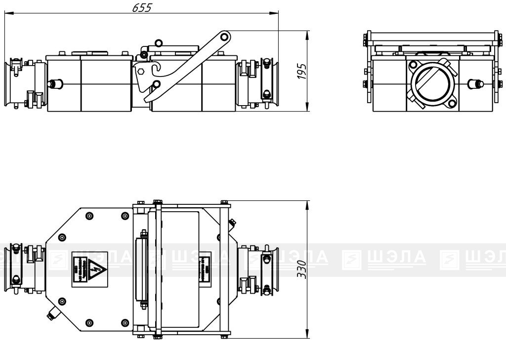
ВНЕШНИЙ ВИД И ГАБАРИТНЫЕ РАЗМЕРЫ
* — габаритные размеры указаны для справок и могут быть изменены заводом-изготовителем
Соединители кабельные НШР-400-1140-КВ и НШР-400-1140-КР в сборе

Соединитель встраиваемый НШР-400-1140-ВР

ОСНОВНЫЕ ТЕХНИЧЕСКИЕ ХАРАКТЕРИСТИКИ
- Напряжение питания, В до 1140
- Номинальный ток, А 250, 400
- Напряжение цепей управления, В 24
- Частота сети, Гц 50/60
- Номинальный ток цепи управления, А кг не более 10
- Типы контактов (их количество) силовой (3)
- заземление (1)
- цепь управления (2)
- Сечение основной жилы присоединяемого кабеля, мм2:
- — НШР-250 70
- — НШР-400 120
СТРУКТУРА УСЛОВНОГО ОБОЗНАЧЕНИЯ
Пример формирования заказа:
Соединитель низковольтный рудничный — кабельная вилка, номинальный ток 400А, напряжением до 1,14кВ, климатическое исполнение У и категория размещения 1:
НШР-400-1140-КВ-У1
| № | Артикул | Наименование | Технические характеристики |
|---|
Новости
Разработан и готовиться к запуску в серийное производство низковольтный рудничный соединитель типа НШР-400, предназначенный для оперативного соединения и разъединения электрических цепей напряжением до 1140В и током до 400А.
Применяется для оперативной коммутации электрооборудования гибким силовым кабелем, соединения отрезков кабелей, проложенных по горным выработкам угольных шахт и рудников, а также для соединения и разъединения отрезков кабельной сети, различных электрических агрегатов, установок и машин между собой и с источниками электрической энергии в стационарных и передвижных установках, эксплуатируемых в условиях подземных выработок шахт, рудников и других предприятий, не опасных по взрыву газа и пыли.
![]() |
![]() |
В данном соединителе присутствует как электрическая блокировка (контакты цепи управления), так и механическая с блокировкой рассоединения (встраиваемая розетка).




