Тенденции развития электрооборудования для подземных горных работ
Истомин А. М., генеральный директор ООО «ПП ШЭЛА»
Садовников М. Е., зав. кафедрой «Электрификация горных предприятий» ФГБОУ ВО «Уральский государственный горный университет», канд. техн. наук
Часть 1
За тот отрезок времени, который прошел с распада СССР до настоящего времени, электрооборудование для подземных горных работ прошло свой эволюционный путь, который и хотелось бы коротко затронуть в данной статье, поскольку важно понимать тенденции развития конструкций электрооборудования и текущее состояние дел в этом секторе. Этот анализ необходим с целью выбора оборудования при проектировании и эксплуатации, для дальнейшего совершенствования его конструкции.
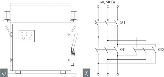
В СССР основная масса электрооборудования, выпускавшегося для подземных горных работ, позволяла одной единице электрооборудования защищать только одну отходящую линию (автоматический выключатель) или управлять одним электроприемником (пускатель). В сетях напряжением до 1 000 В это были автоматические выключатели серии АВ (рис. 1), АФВ, АБВ, ВРН, ВАРП, пускатели серии ПМВИ, ПМВИР, ПВИ, ПВИР (рис. 2), ПВ, ПРН, а свыше 1 000 В — высоковольтные ячейки РВД-6М, ЯВ-6400, КРУВ-6 (рис. 3), УК-6, КРУРН-6.



Так происходило потому, что габаритные размеры электрических аппаратов (автоматических выключателей, контакторов) не позволяли изготавливать электрооборудование компактных размеров. В таком оборудовании, как правило, использовались специально разработанные электроаппараты. Для дистанционного реверса электропривода приходилось ставить два пускателя серии ПВИ, поскольку один такой реверсивный пускатель мог выполнять реверс только при помощи реверсивного разъединителя (рис. 2), и только в выключенном состоянии. Полностью реверсивным пускателем можно было назвать только ПМВИР-41, содержащий два контактора и плавкие предохранители в качестве защитных аппаратов. Но это был пускатель на относительно небольшой ток — всего 80 А.
Такая конструкция электрооборудования предполагает, что отдельные единицы оборудования, входящие в распределительные пункты (РП до 1 000 В), центральные подземные подстанции (ЦПП), распределительные устройства (РУ 6 (10) кВ), соединяются между собой кабелями и занимают достаточно много места (рис. 4 и 5).


Параллельно с выпуском описанного выше электрооборудования делались попытки уменьшить его массогабаритные показатели путем объединения нескольких электроаппаратов в единую конструкцию. В качестве примера такого оборудования можно привести взрывозащищенные станции управления для очистных комплексов угольных шахт — СУВ-350 (рис. 6); СУВ-1140, для проходческих комбайнов — СУВК-8, СУВК-9, для буровых машин — САУБ; для магистральных ленточных конвейеров — СУВ-1Л-100, СУВ-2Л-120, СУВм-1Л-100, СУВм-2Л-120, которые позволяли управлять сразу несколькими электроприемниками и имели более компактную конструкцию, нежели электрооборудование, описанное выше.

Станции управления в рудничном нормальном исполнении (РН) не выпускались.
После распада СССР через некоторое время произошла существенная миниатюризация электроаппаратов (автоматических выключателей, контакторов) с одновременным улучшением их технических характеристик, что позволило в тех же габаритах оболочки электроаппарата устанавливать не один контактор, как, например, в пускателях ПВИР, а два контактора вместе с автоматическим выключателем (например, пускатель рудничный серии ПРР-125 производства ООО «ПП ШЭЛА», рис. 7). Такая комбинация электроаппаратов позволила увеличить отключающую способность пускателя и управлять реверсивными электроприводами дистанционно, без ручных переключений.

Уменьшение массогабаритных показателей электрооборудования привело к тому, что появилась возможность пристраивать распределительные устройства напряжением до 1 000 В к трансформаторным подстанциям. В первую очередь это касалось взрывозащищенного электрооборудования. Такая тенденция проявилась как за рубежом, так и в России. В качестве примера таких трансформаторных подстанций можно привести оборудование немецкой фирмы Becker Mining Systems (рис. 8) и российской «Энергия холдинг» (сейчас группа компаний EXC) (рис. 9).


Все описанные выше шаги по конструктивному объединению ранее разнородного электрооборудования позволили уменьшить его массогабаритные показатели и повысить надежность за счет того, что электрические связи между отдельными электроаппаратами выполнялись в заводских условиях и при эксплуатации не изменялись.
Уменьшение габаритов электрооборудования позволило уменьшить размеры камер для его размещения, что, в свою очередь, привело к уменьшению объема и снижению стоимости проходческих работ для устройства таких камер. И чем компактнее электрооборудование, тем этот показатель выше.
Однако оставался открытым вопрос о номенклатуре такого электрооборудования. Выпускавшееся промышленностью оборудование пока не закрывало всех задач, которые необходимо было решать при питании электроприемников и управлении ими.
Особенно это касалось электрооборудования в рудничном нормальном исполнении, которое «традиционно» в части разнообразия номенклатуры отставало от взрывозащищенного электрооборудования.
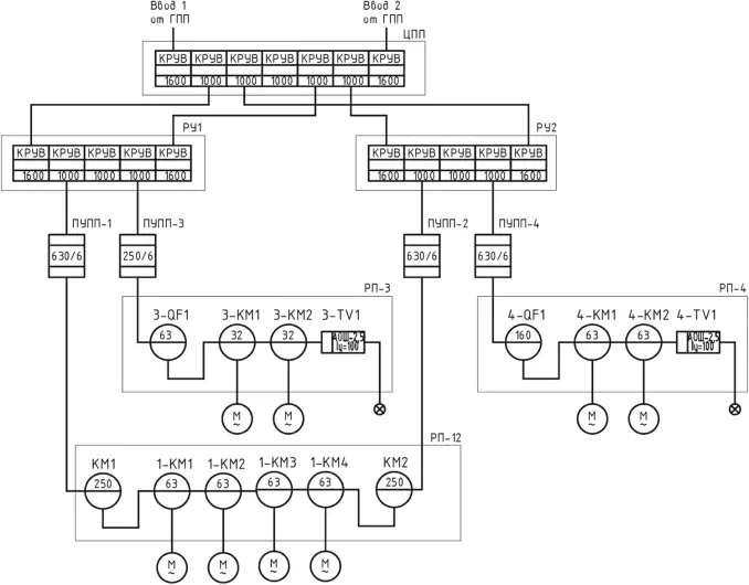
Если рассмотреть типовую структуру подземной системы электроснабжения (рис. 10), то обычно под землю подается напряжение 6 кВ (реже 10 кВ) с поверхности, с главной понижающей подстанции (ГПП) горного предприятия. В районе околоствольных дворов горизонтов располагаются ЦПП, которые представляют собой распределительные пункты 6 (10) кВ. От ЦПП напряжение по кабельной сети поступает на РУ-6 (10) кВ, расположенные на горизонтах, от которых, в свою очередь, получают питание передвижные участковые подземные подстанции (ПУПП). Далее ПУПП напряжением 0,4 кВ, 0,69 кВ или 1,2 кВ обеспечивают питание РП, от которых уже питаются непосредственно электроприемники. Высоковольтные электроприемники получают питание непосредственно от ЦПП или РУ-6 (10) кВ (на рис. 10 не показаны).

Рис. 10. Типовая структура системы электроснабжения подземных горных работ
Рассмотрим технические решения и электрооборудование, которое используется для их реализации в настоящее время.
1. Центральная подземная подстанция ЦПП и РУ-6 кВ
Взрывозащищенное электрооборудование
В настоящее время ЦПП и РУ-6 (10) кВ на взрывозащищенном электрооборудовании строятся по традиционной схеме, которая показана на рис. 5, в которой каждая ячейка представляет собой отдельный аппарат. Современный вариант такой ЦПП (РУ-6 (10) кВ), выполненный на ячейках КРУВ-6М группы компаний EXC, приведен на рис. 11.

Существуют варианты установки нескольких высоковольтных ячеек на общее основание с салазками (например, компания ООО «Фаза», ранее ООО «Сервисная угольная компания»).
Подземное электрооборудование в рудничном нормальном исполнении
Здесь также ЦПП и РУ-6 (10) кВ до недавнего времени строились по традиционной схеме на базе отдельных высоковольтных ячеек (компании ШЭЛА, группы компаний EXC). Однако относительно недавно появилось новое электрооборудование — комплектное распределительное устройство модульное малогабаритное КРУ-РН-6(10)-ММ-630 компании ШЭЛА (рис. 12), которое представляет собой не просто установку на одни салазки нескольких стандартных ячеек, а специально разработанный конструктив компактной конструкции, объединяющий до пяти ячеек с возможностью масштабирования путем транзитного подключения дополнительных модульных КРУ-РН-ММ. Номенклатура модульных КРУ-РН-ММ позволяет реализовывать как односекционные, так и двухсекционные ЦПП и РУ-6 (10) кВ. Данное устройство существенно компактнее такого же распределительного пункта, но построенного на стандартных высоковольтных ячейках (рис. 13).


2. Передвижные участковые подземные подстанции ПУПП
Взрывозащищенное электрооборудование
В настоящее время чаще всего применяются трансформаторные подстанции, которые имеют пристроенное распределительное устройство на стороне низшего напряжения (НН) трансформатора, как это показано на рис. 8, 9. Трансформаторы, которые применяются в составе таких трансформаторных подстанций, двухобмоточные, то есть от одной трансформаторной подстанции можно получить только одно напряжение (0,4; 0,69; 1,2; 3,3 кВ). Также выпускаются и обычные ПУПП без пристроенного распределительного устройства на стороне НН трансформатора.
Нижнее значение мощности таких ПУПП у большинства производителей ограничено значением 100…160 кВА.
Следует отметить, что сейчас шахты и рудники оснащаются большим количеством систем автоматизации, связи, передачи данных. В качестве примера таких систем можно привести системы определения местоположения персонала на плане горных работ и предупреждений опасных сближений персонала и транспорта, системы газовой защиты, различные локальные системы автоматизации и т. п. Мощность элементов таких систем невелика, а элементы их располагаются зачастую на удалении от РП, от которых они в основном и получают питание. Устанавливать ПУПП даже на 100 кВА для питания такой нагрузки на удалении от источников питания экономически нецелесообразно, а осветительные или пусковые агрегаты, от которых можно было бы их запитать, часто имеют недостаточную мощность.
Рудничное нормальное электрооборудование
Та же самая ситуация до недавнего времени складывалась и в отношении ПУПП в рудничном нормальном исполнении, где лидирующее положение в нашей стране занимает компания ШЭЛА, которая выпускает как «классические» ПУПП серии КТП-РН-63…1600 без пристроенного распределительного устройства на стороне низшего напряжения трансформатора, так и ПУПП серии КТП-РН-63…1600-М (многофидерные) с распределительным устройством на стороне низшего напряжения трансформатора (рис. 14).

И если концепция описанных выше ПУПП появилась относительно давно, то ПУПП, освоенные в производстве относительно недавно компанией ШЭЛА в секторе рудничного нормального электрооборудования, не имеют прямых аналогов электрооборудования для подземных горных работ.
Компания ШЭЛА выпустила ПУПП типа КТП-РН-63…1600-Т (рис. 15) с трехобмоточным трансформатором с двумя выходными напряжениями на стороне НН трансформатора, например 0,4 и 0,69 (1,2) кВ, кроме различных выходных напряжений такие подстанции выпускаются с различной мощностью каждой вторичной обмотки, что позволяет устанавливать вместо двух ПУПП на различные выходные напряжения одну ПУПП, экономя тем самым место для ее размещения (рис. 16).


В секторе рудничного нормального электрооборудования компанией ШЭЛА, в отличие от сектора взрывозащищенного электрооборудования, выпускаются ПУПП малой мощности от 25 кВА с двухобмоточными трансформаторами серии КТП-РН и от 63 кВА с трехобмоточными серии КТП-РН-Т, а также трансформаторные подстанции КТП-РН-10…63 серии Mini (рис. 17) мощностью 10…63 кВА, которые как раз и позволяют обеспечить питанием маломощные электроприемники систем автоматизации, связи и передачи данных, о которых говорилось выше.

3. Электроснабжение подземных горных работ: распределительный пункт РП
Взрывозащищенное электрооборудование
Распределительные пункты на напряжения 0,4, 0,69, 1,2 кВ во взрывозащищенном исполнении в настоящее время выполняются как из отдельных единиц оборудования (рис. 4), так и комплектным (преемники магнитных станций, о которых шла речь в начале).
Такое оборудование выпускают, например:
— компания EXC — коммутационный аппарат взрывозащищенный КАВ-УХЛ5-ВВ;
— компания ООО «ПП ШЭЛА» — шкаф распределительный рудничный взрывозащищенный ШР-ПП-РВ-100…1000 (рис. 18), шкаф автоматического включения резерва взрывозащищенный Ш-АВР-РВ-2х100…2х630 и станция управления электроприводами взрывозащищенная СУЭП-РВ-25…160, станция управления рудничная взрывозащищенная СУ-РВ-100…1000;
— компания ООО «Фаза» — компактная магнитная станция КСМ;
— ООО «Институт горной электротехники и автоматизации» (Республика Беларусь) — станция управления рудничная взрывозащищенная СУ-РВ.

Некоторое электрооборудование из перечисленного позволяет строить одно- и двухсекционные распределительные пункты, в том числе с функцией АВР.
Рудничное нормальное электрооборудование
Как уже отмечалось выше, в секторе рудничного нормального электрооборудования станции управления ранее не выпускались.
В настоящее время распределительные пункты на 0,4, 0,69, 1,2 кВ в рудничном нормальном исполнении выпускает несколько компаний, однако наибольшую номенклатуру в этом секторе электрооборудования выпускает компания ШЭЛА. Это шкаф распределительный рудничный ШР-ПП-100…1600, шкаф автоматического включения резерва Ш-АВР-2х100…2х1600 и станция управления электроприводами СУЭП-100(160) и другое, в том числе специализированное, электрооборудование.
На их базе можно организовывать одно- или двухсекционное распределительное устройство — модуль подземной подстанции МПП-РН-630…1600, заменяющий распределительный пункт, построенный на отдельных единицах электрооборудования (рис. 19), или трансформаторную подстанцию 2КТП-РН-160…1600 с одной или двумя секциями шин с функцией АВР (рис. 20).



Подведем итоги
Современное электрооборудование для подземных горных работ имеет следующие тенденции развития:
— уменьшение массогабаритных показателей;
— разработка специальной конструкции, нацеленной на уменьшение его размеров и массы;
— применение модульной конструкции, объединяющей несколько отдельных единиц электрооборудования;
— повышение надежности;
— унификация оборудования у отдельных производителей;
— появление встроенных электронных устройств, обеспечивающих дружественный человеко-машинный интерфейс;
— расширение возможностей самодиагностики;
— повышение безопасности при эксплуатации;
— расширение номенклатуры выпускаемых изделий как по номиналам, так и по ассортименту;
— гибкая адаптация выпускаемого электрооборудования к потребностям заказчика.
Вследствие указанных выше тенденций:
— значительно экономится пространство под размещение электрооборудования, что существенно снижает объем горных работ для организации камер электроснабжения и уменьшает финансовые затраты горного предприятия;
— уменьшается количество отдельных единиц электрооборудования, что облегчает его транспортировку и обслуживание;
— расширяется номенклатура выпускаемого электрооборудования отдельными производителями, что позволяет приобретать электрооборудование у одного изготовителя, экономя на логистике, обучении персонала, складском запасе запасных частей, применении отработанных типовых технических решений;
— уменьшаются простои электрооборудования ввиду возможности быстрой замены неисправного модуля на резервный и размещения сервисных отделов изготовителей электрооборудования на горных предприятиях;
— происходит увеличение гарантийных сроков изготовителями электрооборудования из-за роста надежности электрооборудования.
Таким образом, намеченные тенденции развития электрооборудования для подземных горных работ в значительной мере косвенным способом сокращают объем трудовых ресурсов, столь дефицитных в настоящее время!